|
|
Le principe de base consiste à utiliser des réactifs chimiques pour séparer physiquement les polluants de l'eau à l'aide de différentes techniques, telles que les filtres à bande, les filtres à poche ou les filtres-presse.
Il s'agit de systèmes avantageux à l'achat et universels. Les frais d'exploitation sont par contre souvent assez élevés. Installations physico-chimiques Installations physico-chimiques compactes Installations physico-chimiques semi-automatiques Installations physico-chimiques automatiques en bâchés (Batch reactor) Installations physico-chimiques automatiques en ligne (In line reactor) |
Pour toutes les entreprises devant garantir des normes de rejet au niveau de leurs effluents, DLK Technologies SA propose des solutions personnalisées, clef en main, de traitement d'eau.
Les systèmes physico-chimiques (floculation) sont particulièrement adaptés pour le traitement des métaux lourds ou des particules colloïdales (taille entre 1 et 10 µm). On les utilise aussi lorsqu'il y a des métaux lourds + des hydrocarbures.
Dans certains cas, le traitement chimique s'apparente plus à une réaction chimique qu'à une séparation des particules. Il s'agit de solutions de traitement appliquées au traitement des effluents issus de l'industrie chimique et médicale.
Par contre, quand il n'y a que des huiles, typiquement dans le cas des eaux de lavages de véhicules, c'est une solution peu recommandée. Dans ce cas de figure, on utilisera de préférence des installations de traitement biologique, par exemple de type DLK-FBR.
Les débits disponibles vont, en standard, de 200 litres par semaine à 5'000 litres par heure. Pour les débits plus grands, on travaillera de préférence avec des systèmes de filtration membranaire.
Totalement modulaires, les systèmes de traitement d'eau fournis par DLK répondent précisément aux exigences qualitatives et quantitatives des applications telles que la galvanoplastie, l'usinage chimique, le traitement de surface, le polissage (tribofinition, "trowalisation"), toutes les opérations de dégraissage, les effluents de lavage de sol, les effluents contenant des particules (matière en suspension), telles que alumine, béton, silice, ...
Aujourd'hui, grâce à notre fusion avec Enviro-Chemie nous sommes à même de fournir une gamme nettement plus large. Tout en gardant nos systèmes SPA-I1. semi-automatique, nous pouvons proposer les systèmes historique et de renom de la gamme SPLIT-O-MAT ou SOM
Découvrez ici l'alternative ingénieuse au système de floculation :
|
Dans les garages SX9 système d'électro-séparation |
Dans l'industrie DLK-EC système d'électrocoagulation |
|
|
|
Le principe de base consiste à utiliser des réactifs chimiques pour séparer physiquement les polluants de l'eau.
Correction du pH :
- Trop acide, trop bas,
- Trop alcalin, trop haut,
- Ajout de base pour remonter la valeur pH,
- Ajout d'acide pour descendre la valeur pH.

Insolubilisation
- Cassage des complexants / Insolubilisation des métaux,
- Cassage des émulsions / Insolubilisation des huiles.
Les insolubilisants sont des produits chers. Il convient d'en optimiser le dosage. Pour cela, on réalise un jarre test en laboratoire, ou sur site.
Coagulation
Regroupement des métaux pour augmenter la taille des particules :
- Coagulant inorganique à base d'aluminium ou de fer,
- Coagulant organique.
Floculation
Formation de "flocs" (grosses particules) filtrables ou centrifugeables. Les floculants sont une sorte de polymères.
- Floculant liquide,
- Floculant en poudre,
- Préparateur de floculant.
|
|
|
Les floculants sont des produits chers. Il convient d'en optimiser le dosage. Pour cela, on réalise un jarre test en laboratoire, ou sur site.
Les floculants prévus pour traiter les effluents chargés en huile, se présentent sous forme de poudre, puisqu'ils contiennent principalement de la bentonite (argile).
Les floculants pour traiter les métaux seulement, se présentent également sous forme de poudre , mais à diluer avant injection. Ils peuvent aussi s'obtenir sous forme liquide, mais ils se conservent moins bien et coûtent plus cher à l'exploitation.
Séparation des boues
Une fois la floculation terminée, les boues doivent être séparées de l'effluent traité. Il existe différentes méthodes :
- Ecoulement gravitaire ou par pompage, puis filtration sur filtre à poche ou filtre à bande,
- Ecoulement gravitaire ou par pompage, décantation, pompage et filtration sur filtre-presse,
- Séparation des boues à l'aide d'un décanteur centrifuge.
Filtres à poches ou poches filtrantes.
Pour les petits volumes, DLK propose de travailler avec des filtres à poches. Il s'agit de la solution de loin la plus économique de séparation des boues, tout en garantissant une siccité correcte (teneur en matière sèche) des boues. Dès que les volumes augmentent, on travaille de préférence avec un filtre presse ou un décanteur centrifuge.
|
|
|
Filtres-à-bandes, SPLIT-O-MAT SOM
Depuis 2024, DLK commercialise également les systèmes Split-O-Mat.
Les Split-O-Mat sont des systèmes de traitement physico-chimiques compactes. Ils sont équipés en standard (depuis leur conception initiale il y a près de 50 ans) d'un filtre à bande, mais bien entendu peuvent être couplée avec un filtre-presse. Dans ce cas, le filtre à bande permet de filtrer le perméat (surnageant). Dans certains cas particuliers, il est possible de passer par des filtres à poches ou des big bag au lieu du filtre-presse. Il existe 2 lignes principalement
- Les SOM Grey Line
- Les SOM Blue Line
DLK peut fournir des Split-O-Mat modèles Grey Line, qui sont le fleuron ds systèmes compacts actuellement disponibles sur le marché
- Version de base
- Version avec séparateur de bande et concentrateur de boues
- Contrôle à distance, écrant tactile "Full Size"
- ...

Dans sa gamme, DLK propose les Split-O-Mat modèles Blue Line, qui sont des modèles économiques, performants, compactes et Swiss Made
Par cette gamme, DLK peut proposer des systèmes de traitement physico-chimique compactes, simples, économiques et surtout 100% automatiques. La gamme de base des systèmes semi-automatiques reste, même de smodèles manuels, mais à partir de 500 L par jour, on peut déjà basculer en mode full auto.
Grâce à ses plus de 30 années d'expérience, DLK peut adapter à volonter les Split-O-Mat Blue Line a besoins spécifiques de ses clients

DLK propose le smdoèles Split-O-Mat Blue Line suivants
SOM Blue 200
- Dimensions L = 1'300 mm x l = 890 mm x H = 1'850 mm
- Volume par charge 220 L
- Capacité de traitement 0.5 à 1 m3/jour
SOM Blue 300

- Dimensions L = 2'250 mm x l = 910 mm x H = 1'850 mm
- Volume par charge 340 L
- Capacité de traitement 1 à 2 m3/jour
SOM Blue 330

- Dimensions L = 2'280 mm x l = 1'450 mm x H = 1'950 mm
- Volume par charge 900 L
- Capacité de traitement 2 à 4 m3/jour
Filtres-presse
Les filtres-presse sont en réalité des concentrateurs à boues. DLK Technologies SA fournit des filtres-presse de 20 plateaux avec des capacités de 100 à 200 l pour 1 à 2 m3/h de débit à vide (début de pressée). Les filtres-presse demandent nettement moins de travail que des poches filtrantes tout en garantissant des boues de qualité supérieure. Pour les débits plus élevés, on travaillera avec un décanteur centrifuge.

Décanteur (séparateur) centrifuge dit également "centrifugeuse"
Les décanteurs centrifuges offrent l'avantage de permettre une séparation continue des boues. Les filtres-presse permettent une capacité limitée ou alors il convient de prévoir des filtres-presse à débâtissage automatique, dont le coût est nettement supérieur à celui d'un décanteur centrifuge. Les décanteurs centrifuges sont également très compactes et ils reviennent moins chers à l'exploitation.

Mise en oeuvre
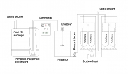
Les systèmes de floculations sont les systèmes les plus faciles à réaliser (en comparaison avec des systèmes d'électrocoagulation, de filtration membranaire, d'évaporation, ...). Comme déjà énoncé partiellement ci-dessus, il faut cependant tenir compte d'un certain nombre de paramètres:
Tampons
- Régulation de la charge et du débit,
- Types d'effluents.
Cuves de réaction
- Volume d'effluent,
- Temps de travail,
- Vitesse des brasseurs,
- Type de réactifs.
|
|
|
|
|
|
|
|
Charges
- Frais d'exploitation,
- Type de doseurs,
- Volume de boues produit,
- Type de séparation des boues (poches ou filtres-presse),
- Volume de boues,
- Siccité des boues,
- Temps de travail,

Type de pompes
Le choix des pompes est difficile. En fonction des modèles, le prix de la pompe peut varier de plus du triple. Par contre la durée de vie des pompes et l'infrastructure nécessaire est nettement meilleure avec les modèles plus chers à l'achat.
- Pompe à membrane,
- Pompe piston - membrane,
- Pompe péristaltique,
- Pompe à vortex,
- Pompe à turbine.
|
|
|
|
Les systèmes physico-chimiques (floculation) proposés par DLK Technologies SA
De conception unique et flexible, les appareils fournis par DLK peuvent traiter les effluents de manière manuelle, semi-automatique ou totalement automatique en fonction de l'application donnée.
- Leur compacité minimise les exigences d'espace au sol,
- Leur conception simple et robuste limite l'entretien et la maintenance,
- Le rapport frais de maintenance, frais d'investissement et frais d'exploitation est optimisé.
Les systèmes proposés sont, en fonction du débit :
- En batch semi-automatique, filtration par poche ou en bande,
- En batch automatique, filtration par poche ou en bande,
- En batch automatique, filtration par filtre presse,
- En ligne, filtration par filtre presse,
- En ligne, filtration par centrifugeuse.
|
|
|
|
|
|
|
DLK propose des systèmes adaptés en fonction des besoins spécifiques de ses clients (Volume, charge, infrastructure, personnel, budget, ...)
Le type de réactif est choisi afin de limiter au maximum l'emploi de consommables, selon la philosophie de DLK. Chaque polluant est testé en laboratoire (jarre test) et une solution spécifique est proposée.
Les modèles proposés par DLK offrent les caractéristiques suivantes :
- Débits de 1 m3 par mois à plusieurs m3 par heure,
- Neutralisation dans 1 ou 2 sens (pH + / pH -),
- Coagulation, floculation,
- Brasseurs lents ou rapides,
- Filtre à poche (petits débits), filtre-presse (gros débits), décanteur centrifuge (très gros débits),
- Solutions économiques manuelles,
- Solutions automatisées.
|
|
|
|
En plus, DLK fournit

- Des installations livrées clef en main,
- La formation nécessaire du personnel, ainsi qu'un support technique,
- La livraison des réactifs,
- Des analyses de laboratoire,
- Un contrat de service / de maintenance.





















